
本文介绍了基于小华HC32F334数字电源控制器的双向DC/DC双有源桥(DAB,Dual Active Bridge)参考设计,着重介绍了:
- 通过HC32F334 HRPWM的移相功能实现三重移相控制;
- 利用HRPWM特色间歇控制模式轻松实现低纹波burst控制;
- 采用直接功率前馈控制,有效提升DAB方案的动态响应性能;
- 最后对比总结了双向DC-DC拓扑的优劣与发展趋势。
1. 参考设计简介
随着新能源需求的增加,大功率双向直流变换器受到越来越多的关注,双有源桥以其卓越的双向性能在新能源汽车、电力电子变压器、可再生能源发电等场合有着重要的应用。小华半导体基于HC32F334控制器推出了双有源桥DAB应用方案,其主要规格参数如下表所示:
表1 DAB规格参数
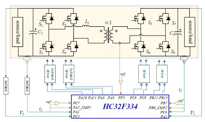
双有源桥DAB的拓扑结构和基于HC32F334的方案框图如图1.1所示。
图1.1 小华DAB方案控制框图
该方案主要实验结果如下所示。

图1.2 DAB参考设计实验结果
方案的主要优势与特点概要总结如下表2所示。
表2 DAB方案优势与特点
2. 方案优势及特点
2.1 采用三重移相控制,系统效率高
传统的DAB调制策略为单移相控制(SPS,Single Phase Shift),仅通过调节两侧H桥输出交流方波之间的移相角来控制功率的流动。SPS控制操作简单,并且能够实现重载状态下所有开关管的零电压开通,当电压传输比为1时,可以实现全功率范围内的ZVS。但当DAB的电压传输比不等于1时,在轻载状态下部分开关管将会失去ZVS特性,如图2.1所示(横轴为原副边移相角占空比,纵轴为功率标幺值),且SPS控制下电流环流大,使得电流应力大,进一步导致系统效率降低。
图2.1 SPS控制下软开关范围
本参考设计采用三重移相控制(TPS, Triple Phase Shift),在原副边移相的基础上、引入原边桥臂移相角和副边桥臂移相角两个变量。在全功率范围下实现ZVS或ZCS的同时,使得电流应力最小。图2.2给出了传统SPS控制和本参考方案采用的TPS控制下的电流应力对比,图中横轴为功率标幺值,纵轴为电流应力标幺值,可以看出,TPS控制下电流应力均小于SPS控制,且当DAB接近满载时,电流应力较为接近,所以TPS控制策略在DAB轻载时优化效果更好。
图2.2 TPS和SPS控制下电流应力变化曲线对比(红色:TPS;蓝色:SPS)
基于HC32F334的DAB控制框图如图2.3,控制兼容SPS和TPS两种控制方案,可得到两种控制下的效率对比,如图2.4,可以看出采用TPS控制下效率普遍优于SPS控制,特别是在轻载工况下效率有显著提升。
图2.3 基于HC32F334的DAB控制框图

图2.4 不同工况下的效率测试对比
2.2 基于直接功率前馈控制,动态性能好
传统电压环控制下变换器的动态性能与PI控制器相关,对于变换器不同的工作状态,同一PI控制器参数并不适用,尤其在输入电压波动、负载跳变时,输出电压需要较长时间才能重新稳定,在此过程中会伴随一定的电压跌落或超调。而变换器的输出电压之所以产生跌落和超调,其根本原因是输出电容的充电功率Pin(即变换器传输功率)和放电功率Pout(即负载功率)不一致,导致电荷累积或释放而引起母线电压变比,因此,实现快速的功率平衡Pin=Pout,是保证快速动态响应的核心所在,这种方法被称为直接功率控制。DAB可以传输的最大功率是,对实际负载功率标幺化可得:
DAB可以传输的最大功率是

对实际负载功率Vout Iout标幺化可得:

Ppu作为功率前馈与PI环结果(用来抵消系统损耗导致的额外功率消耗和参数离散性)相加得到最终的输入功率标幺值,然后通过TPS各占空比计算公式得到此时的各移相角。图 2.5是正向运行时,额定输入380V,输出48V,负载从10%突变到90%的波形如图 2.5,系统从突发模式切换至正常运行,采用直接功率控制加载瞬间电压跌落约2V,跌落深度小于5%(2.4V),而传统控制跌落约5.2V,超过10%的跌落深度,可以看出直接功率控制下瞬态性能得到了显著提升。
图2.5 负载从10%突变到90%(正向运行,输入380V)(左:传统PI控制;右:功率直接控制)
3. HC32F334对优异性能的支持
3.1 HRPWM 130ps高分辨率移相功能对精准移相控制的支持
目前DAB主流控制策略为移相控制,又分为一重移相控制,双重移相控制和三重移相控制。通过选择调整原副边相位,原边桥臂间的相位以及副边桥臂间相位中的一个或多个相位作为控制量,来实现功率传输。因此DAB移相控制需要控制器提供稳定可靠动态调整相位的4组PWM波。
HC32F334的HRPWM支持最多6对PWM的移相或交错控制,满足DAB的4对互补PWM的资源需求;且支持最高分辨率130ps的相位调整,可实现相位动态调整。HRPWM模块支持三角波和锯齿波两种计数模式下的相位匹配,参考方案采用锯齿波计数模式,因此以锯齿波计数模式为例介绍该模块实现移相控制发波示意图如图3.1,单元1为主单元,单元2-6为从单元,单元1有5个相位比较基准值寄存器,以PHSCMP1A为例,当主单元即单元1计数counter等于PHSCMP1A时产生相位匹配事件,从单元在相位匹配事件发生时做出启动和清零两种动作,通过改变PHSCMP1A的值,即可改变主单元和从单元的相位关系。为了方便实现双向功率流动下的超前和滞后相位的实现,如图3.2,以单元1作为基准单元,单元2,单元3,单元6和单元4分别选择4个相位比较基准寄存器PHSCMP1A~PHSCMP4A同步来实现相对主单元1移相发波,间接来控制从单元2、3、6和4之间相位关系,实现超前和滞后的灵活变化。
图3.1 HRPWM实现移相控制发波示意图
图3.2 DAB PWM配置
3.2 HRPWM特色间隔输出控制器对轻载突发模式的支持
在电源系统设计中,为了在系统处于空载或轻载工况时提高系统转换效率、降低功耗,需要进入突发模式(burst模式):即通过间歇式开关,周期性开启或关闭PWM,减少不必要的开关。利用传统MCU做控制时需要软件额外消耗算力去控制间歇周期,HC32F334特色间歇输出控制模式可以协助用户轻松实现正常运行与burst模式的平滑切换。该参考设计采用HC32F334特色间隔输出功能实验波形如下图所示,图3.3和图3.4中系统处于正向运行,额定380V输入,48V输出,图3.3为负载0.1A时的输出波形,可以看出由于burst控制下输出电压稳定,没有明显波动,图3.4中可以看出当负载变化时,特色间歇输出控制器可以平滑切出burst模式,进入正常运行模式。
图3.3 轻载burst运行实验波形(正向)
图3.4 burst模式切出波形
HRPWM的间隔输出控制器的功能简介如下:控制器允许通过硬件控制HRPWM_<t>_PWMA<B>交替输出空闲状态(停止输出有效PWM)和运行状态(输出有效PWM)。在间隔输出空闲状态下,HRPWM_<t>_PWMA<B>的端口状态可以设置为不受影响或者输出空闲状态的电平。间隔输出控制器包括:
-1个计数器(BM-counter)
-1个比较寄存器:HRPWM_BMCMAR,用以定义空闲状态的持续时间
-1个周期寄存器:HRPWM_BMPERAR,用以定义空闲状态和运行状态的总和
间隔输出控制器支持两种模式,当配置使其工作在模式1时,如图3.5,当触发信号发生时,间隔输出先进入空闲,间隔输出的空闲时间持续BMPCMAR+1个间隔输出计数时钟周期,之后当BM-counter等于BMCMAR时进入运行状态;当间隔输出工作在模式2时,如图3.6,当触发信号发生时,间隔输出先进入1个间隔输出计数时钟周期的运行状态,再进入空闲状态,空闲时间的持续时间为BMPCMAR个间隔输出计数时钟周期,之后再进入运行模式直至BM-counter等于BMPERAR。
图3.5 间隔输出模式1时序图
图3.6 间隔输出模式2时序图
参考方案采用模式2,控制BMCMAR的值,来控制输出脉冲个数,当BMCMAR=0时进入全运行状态,当BMCMAR=BMPERAR+1时,系统进入全空闲状态,不需要改变控制寄存器即可平滑进入或退出burst模式。模式2下用户可以选择固定间隔控制的周期寄存器值,改变输出脉冲个数,来实现输出电压平滑控制或者可以固定输出脉冲周期个数,通过改变间隔控制的周期寄存器值来实现burst控制。参考设计DAB方案中选择的是前一种控制方式,BMCMAR的计算方式如下,

其中P为控制环路输出,Pth为进入间隔模式的阈值。
当P≥Pth时,限制BMCMAR最小值到0,此时系统进入全运行模式;
当P<Pth时,BMCMAR值为处于空闲模式的cycle数,进入间隔模式;
当P = 0时,BMCMAR = BMCMAR + 1,系统进入全空闲模式。
4. 双向DC/DC拓扑发展趋势
目前,双向DC-DC变换器主要分为非隔离式和隔离式,常用拓扑的对比如下表3。
表3 常用DCDC变换器拓扑比较
非隔离型DC-DC双向变换器有Buck变换器,Boost变换器,Buck-Boost变换器,Cuk变换器,Sepic变换器,Zeta变换器等。其中双向Buck/Boost变换器拓扑结构简单,能量转化效率较高,被广泛应用。但非隔离型变换器受限于其拓扑结构,电压调节范围较小,只适用于小功率等级和无需电气隔离的场合。
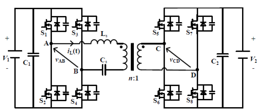
隔离式拓扑主要可以分为反激、正激、推挽、半桥、全桥等结构,在半桥或全桥结构中加入谐振单元,如LC,LLC,CLLC,CLLLC等即可变成谐振变换器。其中全桥硬开关DCDC结构和控制简单,广泛应用于小功率场景。但在功率较大电压等级较高的应用场景中,双有源桥结构即原副边均采用全桥结构得到了更广泛的应用,其具有电路结构简单,拓扑结构对称,方便实现功率双向流动,功率密度高,可实现ZVS等优势,因此广泛应用于户外充电桩、户储DC-DC等领域。非谐振型DAB电路拓扑是利用单电感进行能量传递的结构,为了系统效率的提高和功率密度的改善,谐振型DAB开始受到重视,将LC串联谐振与DAB相结合,得到了串联谐振型双有源桥(SRDAB),图4.1,该电路仅通过加入一个谐振电容元件即可使谐振电感电流趋于正弦波,有效滤除了电流中的高频分量,而且变换器的双向能量传输能力也十分出众,因而也被广泛应用。
图4.1 串联谐振型双有源桥变换器拓扑
在SRDAB变换器基础上也演变出不同的谐振类型,如LLC型,LCC型,CLLLC型等,但在双向应用中有局限性,LLC型DAB反向工作时软开关特性差,在双向功率传输应用中并不理想;LCC型DAB由于电路不对称性使得变换器的正反向工作状态不同,需要根据不同的工作状态制定不同的方案,在实际应用中难以发挥作用;CLLLC型在LLC基础上在副边增加了一组LC,虽然实现了电路拓扑的对称性,但是增加了较多的谐振原件,使得成本升高,且不利于高功率密度的实现。
因此综合考虑下,SRDAB变换器具有元器件相对较少,宽电压范围,高效率,易于实现双向能量传输等优点,在大功率DC/DC双向变换器中被广泛使用。传统DAB以及SRDAB的当前调制方案的发展趋势均是多自由度和高灵活性,普遍选择包括移相调制,变频调制和脉冲宽度调制在内的调制方法,小华HC32F334很好地支持上述三种调制方式,欢迎大家开发探讨。小华会也将开发SRDAB参考设计,敬请期待。
5. 总结
双有源桥DAB以其双向运行的对称性,模块化程度高,具有电气隔离等优点被广泛应用于电动汽车,储能系统和微电网等领域。本文详细介绍了基于小华HC32F334数字电源控制器的双有源桥DAB参考设计,重点介绍了小华自研HRPWM模块灵活的移相控制;同时HRPWM的间隔输出模式方便实现轻载burst输出,减小burst模式下输出纹波;在应用算法上,采用直接功率控制和三重移相控制:相比于一重移相控制,三重移相控制能明显提高系统效率,特别是轻载工况下,效率提升更加明显;加入的直接输出功率前馈控制,相比于单纯PID补偿器调节能极大地提高动态性能。
上述分析表明,小华HC32F334从芯片层面保证了实现移相控制和间隔输出控制,让用户使用起来更便捷、更安全!同时应用算法上也基于行业know-how进行了瞬态性能优化,数字电源控制小华更懂你!
更多信息欢迎关注小华官网数字电源产品和应用相关模块,您将发现整个芯片从系统论的角度强调性能之间的匹配、而非机械的突出单一模块性能——小华正诠释着数字能源控制器升级替代的奥秘!
想要了解及购买小华半导体产品,请前往iCEasy商城品牌专区:
iCEasy商城欢迎您的到来!