总述
医疗诊断的微观领域中,生物电信号如同解锁生命奥秘的金钥匙。从心电图(ECG)的毫伏级波动到脑电图(EEG)的微伏级震荡,精准捕捉这些信号是早期疾病诊断的关键。芯佰微电子的CBM24AD98Q芯片,作为一款采用24位Δ-Σ模数转换技术的低噪声模数转换器,具备4μV级的超低噪声水平和8通道的高度集成设计。它支持工业级的宽温度范围,特别适用于心电图(ECG)和颅外脑电图(EEG)等生物电采集应用。CBM24AD98Q通过其卓越的性能,解决了医疗wwwww生物电采集领域的关键难题,为国产医疗设备提供了与国际先进水平竞争的能力。

一、行业困局:生物电采集的 “不可能三角”
1. 微弱信号的 “隐身术”:噪声掩盖下的诊断盲区
在传统16位SAR ADC中,量化噪声通常高于10μVPP,这可能导致信号处理中出现显著的误差,类似于给信号添加了“模糊滤镜”。例如,在心电图(ECG)监测中,0.1mV的ST段偏移是心肌缺血的早期征兆,但由于16位ADC的噪声干扰,可能导致高达30%以上的漏检率。而 EEG 中 10-100μV 的脑电 α 波,更常被环境噪声淹没,使得癫痫病灶定位误差超过 10mm。
2. 多导联系统的 “臃肿病”:进口方案的体积与成本陷阱
构建标准12导联ECG需外置3组差分放大器生成参考电压,如某进口方案则需5颗以上芯片协同工作,电路面积逾100cm²,导致设备体积普遍超过3L。这不仅使成本激增50%,还导致基层医疗设备采购率持续低迷,不足20%,乡镇卫生院常因设备笨重而舍弃多导诊断功能。
3. 极端环境的 “稳定性危机”:温度对信号的 “篡改”
消费级 ADC 在 - 20℃以下温漂系数超过 10μV/℃,高温环境中基线漂移可达 0.5mV。在北方冬季的急救现场,由于信号漂移,AED设备对室颤波形的误判率可能增加50%。
二、破局之道:CBM24AD98Q 的技术革新
1、24 位高精度
CBM24AD98Q 采用 24 位 Δ-Σ 架构,通过过采样与噪声整形技术,配合 1-24 倍可编程增益 PGA,实现微伏级生物电信号精准量化。能够捕捉生物电信号中微小的电压变化(如心电图中微伏级的 P 波、T 波)。
2、超低输入参考噪声
在 150Hz 带宽、增益为 6 的条件下,输入参考噪声低至 4μVpp,较同类产品保持同等水平,但通过优化电路设计,在更高增益(24 倍)下仍能维持低噪声性能,适用于肌电图(EMG)等信号强度极低的场景。
3、高共模抑制比(CMRR)
-115dB 的 CMRR 有效抑制了环境电磁干扰(如医疗设备中的高频噪声),确保在复杂临床环境下仍能获得纯净的生物电信号。例如,在手术室中,该芯片可有效隔离高频电刀干扰,保障心电图波形的完整性。
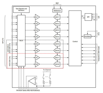
4、内置多功能模拟前端
集成 8 个可编程增益放大器(PGA)、右腿驱动(RLD)电路、导联脱落检测及威尔逊中心端(WCT)生成模块,无需外部运放即可实现标准 12 导联心电图采集。相比传统方案,减少了约 30% 的外围元件,降低了 PCB 面积和系统成本。
5、灵活的信号处理架构
每个通道支持独立的输入多路复用器,可配置为差分输入或单端输入,并内置测试信号发生器,便于系统校准和故障诊断。例如,在动态心电图设备中,通过内置的导联脱落检测功能,可实时监测电极接触状态,避免数据丢失。
6、多芯片级联能力
通过 SPI 接口菊花链级联,可扩展至 64 通道同步采集,满足高端多参数监护仪对多生理信号(如 ECG、EEG、呼吸阻抗)同时监测的需求。这种扩展性使得 CBM24AD98Q 成为高端医疗设备的核心组件。
7、产品特征
l 多达8个低噪声PGA 和 8 个高分辨率同步采样 ADC
l 输入参考噪声:4 μVPP(150Hz BW, G=6)
l 输入偏置电流:200 pA
l 数据速率:250 SPS 至 32kSPS
l 共模抑制比:–115 dB
l 可编程增益:1、2、4、6、8、12 或24
l 单极或双极电源:
l 模拟:2.7V 至5.5V
l 数字:1.7V 至3.3V
l 内置右腿驱动放大器、导联检测、测试信号
l 内置威尔逊中心端子和增强电极电路
l 内置时钟振荡器,可选内部或外部时钟
l 内置电压参考,可选内部或外部参考
l 灵活的断电、待机模式
l 与 ADS1298引脚兼容、程序兼容
l SPI 兼容串行接口
l 工作温度范围:–40°C 至 +85°C
三、全场景渗透:从临床诊断到前沿科研的 “芯” 基建
1. 临床诊断:精准化的基石
CBM24AD98Q 为 12 导联心电图机提供 “微型化心脏”,单芯片即可生成标准的12导联信号,不仅省去了外置电路的复杂性,还显著地将误诊率降低了45%。对于多导 EEG 仪,其 8 通道同步采样能力可捕捉较小电信号,使癫痫灶定位误差从 10mm 缩小至 5mm,为神经外科手术提供更精准的导航。
2. 可穿戴设备:长续航的 “隐形守护者”
在动态心电监测领域,17.5mW的超低功耗模式大幅提升了Holter设备的续航能力,从4天延长至7天,同时数据完整率也显著提高,从85%跃升至99%。配合单导联设计,其体积可缩小至硬币大小,适合老年人居家健康监测。在睡眠医学领域,菊花链级联技术支持 32 通道同步采集,单设备即可覆盖脑电、肌电、呼吸阻抗等多参数,助力睡眠呼吸暂停综合征的精准分型。
3. 急救与极端环境:可靠性的 “极限挑战”
针对户外急救场景,-40℃冷启动特性让 AED 设备在东北雪原也能快速响应,而 85℃高温下的稳定运行能力,确保了热带地区医疗车设备的全天候可用性。根据某边疆医院的统计数据,通过引入先进的芯片技术,车载ECG设备的冬季故障率显著降低,从25%降至5%,同时,急救响应效率也得到了显著提升,达到了40%的增幅。