Legion Go S是联想于2025年1月8日在CES 2025发布的第二款游戏掌机产品,其配有8英寸LCD屏,配备microSD卡插槽、音频插孔、以及两个USB4接口,重量为740克,提供白色(Windows版)和紫色(SteamOS版)外观。
Legion Go S可选AMD锐龙Z2 Go或Z1 Extreme处理器,拥有最高32GB 的LPDDR5X内存和最高1TB的PCIe Gen4 SSD存储,搭载55.5瓦时电池,配备65瓦Type-C充电器,可选Steam OS或Windows系统,具有蓝牙5.3和Wi-Fi 6E等配置。
图1 联想Legion Go S
在操作设计方面,采用了一体式手柄设计,配备触控板、双震动马达、RGB霍尔摇杆以及键程可调的扳机键。其中,双震动马达驱动采用了艾为高压Haptic驱动方案,可调键程采用了艾为线性HALL方案,以下是两款芯片的介绍:
高压线性马达驱动
- 供电范围:2.7~5.5V
- 8 KB memory
- 8K/12K/24K/48K输入波形采样率
- 驱动电压最高可升压至11V
- 支持F0检测及追踪
- 集成先进的自动刹车功能
- 集成基于阻抗检测LRA诊断功能
- <1ms快速启动时间
- 支持多种播放模式(实时播放/动态波形输入/存储播放/一线控制)
- 保护功能:短路保护,OTP, UVLO,电池保护
- 封装:FCQFN-18L 2.5mm×2mm×0.55mm
图2 高压马达驱动典型应用电路图
数模龙头艾为电子深耕触觉反馈多年,除了硬件产品外,在算法效果方面,awinicTikTap®雷振子4D游戏算法能够通过游戏协议自带的震动数据、游戏图像、游戏音频等信息源来实现场景化振动。
图3 awinicTikTap®雷振子4D游戏算法
图4 游戏振动数据模式

图5 游戏图像+游戏声音模式
图6 游戏音频流模式
线性HALL
- 模拟电压线性比例输出,默认电压VREF / 2
- VCC范围:2.5V~5.5V
- 低功耗Sleep模式,<1μA
- 灵敏度:1.25mV/G~ 10.0mV/G系列化多档可选
- 工作温度范围:-40℃~125℃
- 封装:WBDFN-6L 3mm × 2mm × 0.75mm

图7 线性HALL应用电路图
除了上述HAPTIC Driver和线性HALL外,艾为游戏掌机应用,有多颗芯片可供选择:

图8 艾为游戏掌机应用框图
下面介绍一下掌机各功能模块应用:
RGB灯氛围:呼吸灯驱动
艾为呼吸灯驱动产品覆盖3~216通道,可呈现超过1600万种色彩变化和呼吸,与游戏画面联动营造更真实的虚拟场景氛围。能够提供驱动芯片+灯效算法调试的一站式解决方案。
图9 呼吸灯驱动应用电路
图10 艾为彩虹呼吸灯效
图11 艾为炫彩呼吸灯效
喇叭外放:音频功放+音效算法
音频功放:自带BOOST升压数字音频功放,内置DSP
图12 音频功放应用电路
音效算法:艾为国民神仙算法awinicSKTune®V7,含基础音效及保护算法,特色音效算法、特色保护算法。
图13 国民神仙算法awinicSKTune®V7
屏幕显示
AMOLED POWER
- 3电源输出,电流能力高达800mA,效率93%,支持1.2V I/O
图14 典型应用电路
Backlight LED Driver
- 单节电池供电条件下,最高可驱动50颗背光灯
- OVP电压38V,支持最小0.3%占空比,适用于驱动平板及手机等使用LCD屏的终端
图15 典型应用电路
LCD Bias
- 最高可输出±6.5V,电流涵盖100mA~260mA,适用于手机及平板等使用LCD屏的产品

图16 典型应用电路
USB端口防护
VBUS OVP
- VBUS路径双向隔离OVP,阻抗20mΩ,过流5A,适用于笔记本、掌机应用
图17 典型应用电路
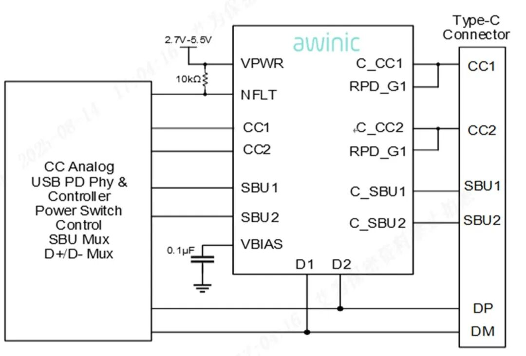
CC OVP
- 四通道,可用于TYPEC端口,用于保护CC/SBU信号,防止过压损坏。
图18 典型应用电路
高耐压输出OCP
- 4A OCP, 输出端口耐压可达28V,适用于TYPEC端口对外放电保护。
图19 典型应用电路
通用器件
Loadswitch
- 双通道,可过6A MAX,Rdson低至20mΩ

图20 典型应用电路
LDO
- 300mA max,SOT23-5&DFN1*1封装,有低功耗版本和高PSRR版本,电压范围覆盖0.9~3.3V

图21 典型应用电路
BUCK
- 5V/3A,VOUT可调电压0.9~3.3V,SOT23-5封装
图22 典型应用电路
除了在游戏掌机应用外,艾为产品在游戏手柄上同样也有较广泛的应用。比如专注于苹果和安卓手机连接的游戏手柄品牌BACKBONE,通过极简设计、低延迟连接和广泛的兼容性,解决了手机触屏玩游戏的操作不灵活的痛点,广受手游玩家喜爱。其最新发布的Backbone-Pro搭载了5颗艾为芯,包括:VBUS OVP、D+/D- USB2.0开关、低功耗LDO(3颗不同电压)
图23 Backbone-Pro
随着云游戏技术的成熟与硬件性能的迭代,游戏掌机正迈向更广阔的可能性。但无论形态如何演变,其核心始终是对 “玩家体验” 的极致追求。中国数模龙头艾为电子将持续在各产品线深耕,全力打造高品质的模拟、数模混合芯片,为游戏掌机带来更畅快的体验。
关于艾为
中国数模龙头上海艾为电子技术股份有限公司创立于2008年,专注于高性能数模混合信号、电源管理、信号链等IC设计,2021年8月在上交所科创板成功上市,股票代码为688798。艾为电子累计拥有40多种产品子类、产品型号总计近2000款,产品的性能和品质处于业内领先水平。公司产品广泛应用于消费电子、工业互联和汽车市场,包含智能手机、平板电脑、笔记本电脑、智能穿戴、智能音箱、智能家电、移动支付、物联网、AI教育、智能玩具、服务器、新能源、机器人、无人机、安防、汽车电子等领域。
艾为电子始终坚持高质量研发投入,引领产品技术创新,近年复合研发投入占营收比例超15%,技术人员占比超过70%,累计取得国内外各种知识产权1500余项。
艾为电子获评国家企业技术中心、音频制造业单项冠军企业、国家知识产权优势企业,国家高新区上市公司创新百强榜,上海市创新型企业总部、上海市质量金奖、上海市级设计创新中心、上海市智能音频芯片技术创新中心、上海硬核科技企业TOP100榜单等资质荣誉。
了解及购买艾为产品,请前往iCEasy商城品牌专区:
iCEasy商城欢迎您的到来!