萤火工场GD32VW553-IOT开发板RISC-V开源硬件测评
兆易创新GD开发板,GD32VW553,RISC-V内核的32位MCU的开源硬件。支持2.4GHz Wi-Fi 6及BLE5.2无线连接标准。WiFi蓝牙物联网lOT设备,智能家具。
简介
中电港萤火工场推出基于兆易创新(GigaDevice) GD32VW553 一款 RISC-V内核的 32位 MCU的开源硬件板 GD32VW553-IOT。该板集成了主控芯片卓越的无线连接能力 、 强大的性能与能效比以及丰富的外设 接口,可享受到开源社区带来的丰富资源和便利,极大地方便了开发者的快速部署和应用创新 。
资源
开发板包含的功能及相应参数如下表所示

主控
GD32VW553HMQ7

GD32VW553系列芯片是以RISC-V为内核的32位微控制器(MCU),包含了Wi-Fi4/ Wi-Fi6 及 BLE5.3 连接技术。GD32VW553 Wi-Fi+BLE SDK 集成 Wi-Fi 驱动、BLE 驱动、LwIP TCP/IP协议栈、MbedTLS等组件,可使开发者基于GD32VW553快速开发物联网应用程序。
系统架构

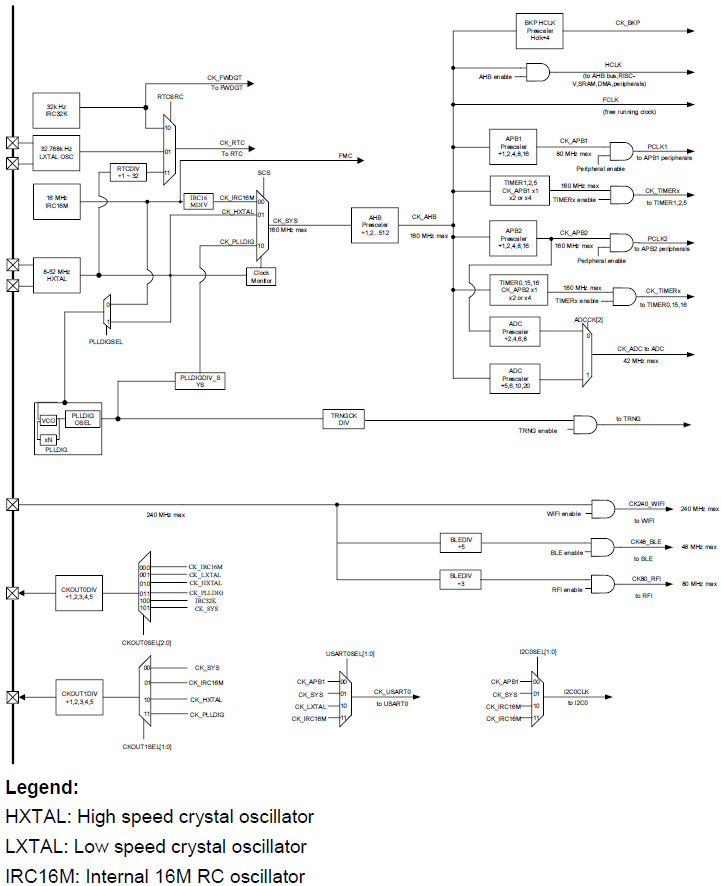
时钟树

WiFi SDK 框架

详见:AN158 GD32VW553 Wi-Fi 开发指南
GD32VW553 系列芯片包含了 Wi-Fi4/ Wi-Fi6 及 BLE5.3 连接技术。
GD32VW553 Wi-Fi+BLE SDK 集成 Wi-Fi 驱动、BLE 驱动、LwIP TCP/IP协议栈、MbedTLS等组件,可使开发者基于GD32VW553快速开发物联网应用程序。
BLE SDK 框架

开发板


引脚布局

原理图

板载测试触点 TP7 和 TP8 分别对应 SWD 调试引脚 SWDIO 和 SWCLK;
若采用 SWD 调试或烧录固件,则需引出触点或使用专业工具。
启动模式

若采用串口烧录固件,需注意 Bootloader 配置,根据启动模式表可知,上电后要执行引导装载程序,要求 Boot0 置高电平,Boot1 置低电平;
根据 GD32VW553HMQ7 数据手册 中的引脚复用表可知,需使用 PA6 和 PA7 引脚分别作为 TX 和 RX 端,连接 USB 转 TTL 串口调试工具。
芯片内嵌的引导装载程序位于系统存储器中,用来对片上闪存的主存进行重新编程 。 该引导装载程序可通过以下串行接口工作:USART0: PB15 -- PA8 UART1:PA4 -- PA5UART2:PA6 -- PA7
需要注意,若采用串口烧录的方式,则需要将 BOOT0 拉高;而根据原理图,开发板的 BOOT0 引脚并未直接与 VCC 相连,而是经过一个 R4 电阻

而开发板的 R4 默认是未焊接的。
上电测试
使用 USB 转 TTL 工具连接开发板的串口通信引脚 PA6 和 PA7,上电后自动输出射频初始化信息

开发环境搭建
本节介绍了 GD32 Embedded Builder 开发环境的搭建流程。
准备工作
下载并安装 IDE 软件 GD32 Embedded Builder ;
下载 GD32VW55x Wi-Fi&BLE SDK 开发套件;
下载工具链 nuclei_riscv_newlibc_prebuilt_win32_2022.04 ;

将下载下来的压缩包解压至 EmbeddedBuilder 的安装目录 ...\EmbeddedBuilder_v1.4.7.26843\Tools 路径即可。
开始
这里介绍软件开发环境的部署,以及固件的编译和生成。
1.启动 IDE
workspace 设置为 SDK 所在文件夹,即 GD32VW55x_RELEASE_V1.0.2
2.导入 MBL 工程
File - Open Projects from file System
选择路径 GD32VW55x_RELEASE_V1.0.2\MBL\project\eclipse
3.导入 MSDK 工程
File - Open Projects from file System,
路径选择 GD32VW55x_RELEASE_V1.0.2\MSDK\projects\eclipse\msdk
4.配置工具链
右键 MBL 工程 - properties - C/C++ Build - Settings,选项卡点击 toolchain settings
路径为 .\Tools\nuclei_riscv_newlibc_prebuilt_win32_2022.04\gcc\bin

5.构建工程
右键 MBL 文件夹,选择 Build Project

右键 MSDK 文件夹,选择 Build Project

MSDK 编译完成后,会生成 image-ota.bin 和 image-all.bin,位于 GD32VW55x_RELEASE_V1.0.2\scripts\images 文件夹内。
参考:GD32VW55x_快速开发指南 .
固件烧录
可采用 ISP 方式或 SWD 模式上传固件至开发板。
这里介绍 ISP 烧录方式
下载并运行 GD32 All-In-One Programmer 软件

USB 转 TTL 工具连接开发板的串口引脚

配置好串口参数,点击 Connect 连接芯片;
连接成功后,加载前面生成的镜像文件 image-all.bin ;
点击 Download ,待进度条走完 Reset 即可。
效果展示
串口打印初始化信息

视频链接:https://www.bilibili.com/video/BV1pFwVeMEGL/
总结
本文介绍了开发板的资源、主控以及原理图等,介绍了 GD32 Embedded Builder 开发环境的搭建流程,使用 ISP 烧录的方式实现了固件上传。为后续的开发奠定基础。

开源社区