
图1 会说话的汤姆猫
AI浪潮的掀起带动了一场关于童年陪伴的智能进化。AI童伴——会说话的汤姆猫,正引领着童年陪伴的全新变革。汤姆猫能够与孩子进行自然流畅的智能对话,对各类语音指令迅速做出精准反应。得益于AI大模型的强大赋能,让汤姆猫不仅能够轻松应对中英文交流,还可以成为万物百科,无论是生活常识还是宇宙奥秘,为孩子一一解惑。
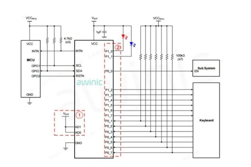
AI童伴,会说话的汤姆猫搭载艾为16通道GPIO & LED Driver 二合一芯片,通过GPIO高效扩展,实现硬件资源精细化管理与灵活调度。该芯片支持多任务并行处理,可驱动多种功能模块协同运作,为 AI 玩具增添丰富的交互场景。
产品特性
·16通道多功能I/O,各通道均可作为GPIO扩展或LED恒流驱动
·作为GPIO扩展时,各通道均可独立设置为输入或输出
·作为LED恒流驱动时,各通道256级调光,支持1680万色RGB
·支持复位&中断功能,具有8μs抗尖峰脉冲抑制能力
·SCL、SDA、RSTN、GPIO支持1.8V逻辑电平输入
·I²C地址可通过AD0、AD1 扩展
·供电电压:2.5V-5.5V
·封装规格:QFN 4×4-24L,QFN 3x3-24L
图2 16通道GPIO扩展芯片应用框图
AI玩具的强势崛起,正不断挖掘并释放玩具陪伴功能的无限潜力,将其发挥至极致。而在这一激动人心的变革进程中,艾为产品凭借自身卓越的性能与创新设计,如同坚固有力的助推器,为 AI玩具实现更加多元、高效的交互功能提供坚实支撑,携手开创 AI玩具行业的崭新时代。
想要了解及购买艾为产品,请前往iCEasy商城品牌专区:
iCEasy商城欢迎您的到来!