精准
热门搜索
全部产品分类
温馨提醒:图片仅供参考,商品以实物为准
自营
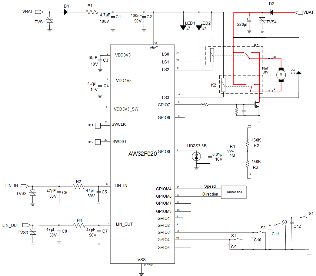
AW32F020QNR-Q1
LIN Interface Motor Controller with MCU
价格梯度
价格
+10
7.92
+200
7.56
+1000
7.35
库存
10000 个
样片库存
0 个
起订
>= 10 个
交期
订货交期以实际为准
仓库
CN
型号
AW32F020QNR-Q1
复制
品牌
艾为(AWINIC)
封装
无
批号
#
更新
2025-11-07 07:36:58
数量
X
¥7.92(单价)
合计:
立即加购
我要询价
自营
报价热线:
185-6572-8298
185-2958-5368
店内搜索
关键字:
搜索
为你推荐
品牌
艾为(AWINIC)
类别
集成电路/IC/电源管理/电源管理 - 专用
商家
iCEasy商城自营
封装
无
批号
#
仓库
CN
交易描述
全部型号()
国产替代()
国外替代()
同品牌替代()
暂无数据
上一页
下一页
前往
页