MM32SPIN060G 开发板测评

特色功能:芯片内置四线烧录接口,即支持使用VIN/FG/PWM/GND下载、调试程序
电压范围:5.5V~18V
电流范围:60V/40A MOSFETs
芯片内置:100V 6N预驱、5.0V LDO(50mA)、一路ADC(12位)、两路模拟比较器、两路运放等
控制算法:支持霍尔方波、霍尔FOC单电阻、无感方波(ADC)、无感FOC双电阻、无感FOC单电阻
矢量控制技术,即磁场定向控制 (FOC) 。FOC 的基本思想:将定子电流解耦成一个控制磁场的电流分量和一个控制转矩的电流分量,经过解耦后,两个电流分量独立受控,互不干扰。
使用温度:环温支持105°C
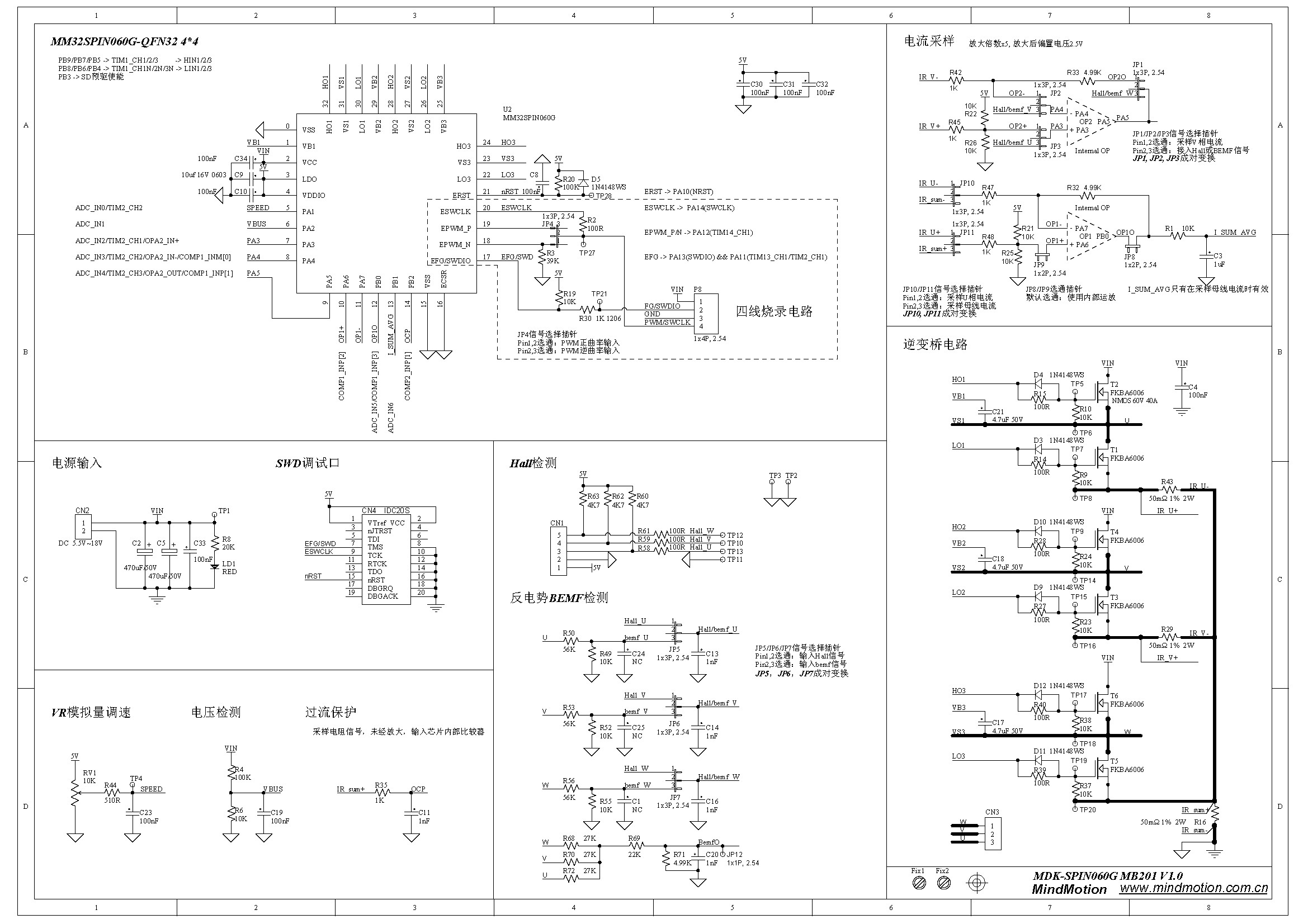
原理图如下:

产品描述
MM32SPIN060G 是灵动 MindSPIN 旗下高性能的单电机控制 SOC 产品,采用 Cortex-M0 内核,集成了运动控制所需的专用模拟外设,包括 12 位高精度 ADC、2 路模拟比较器 COMP、2 路运算放大器 OPAMP、三相 N 沟道栅极驱动器,另配备有 MC-TIM、硬件除法器 HW-Div、DMA 控制器等专用资源,以及 32KB Flash、4KB SRAM、11 个 GPIO 等基础资源 - 存储及运算资源:32KB Flash,4KB SRAM,最高主频 60MHz - 7 个定时器资源:1 个 16 位高级定时器、1 个 32 位通用定时器、3 个基本定时器、1 个 12 位 IWDG、1 个 24 位 Systick - 支持 2 通道 DMA - 硬件除法器 HW-Div - 1 路 12 位模数转换器 ADC,支持 7 通道,采样速率 1Msps - 2 路模拟比较器 COMP、2 路轨对轨运算放大器 OPAMP - 三相 N 沟道栅极驱动器 - 支持 UART/SPI 通信 - 内部 LDO 支持工作范围 5.5~18V - 预驱工作电压高达 100V - 支持四线烧录功能 - 工作环境温度 -40℃~105℃ - 提供 QFN32 4mmx4mm封装
适用于多种应用场合: - 服务器风机 - 泵类 - 风机类 - PWM通信控制电机应用
配套资源
该开发板具备丰富的配套资源,包含库函数与例程、原理图、用户手册等说明文档、软硬件资料等,便于开发者针对不同的应用场景进行设计和适配。

SPIN 系列 MCU 介绍
SPIN 系列 MCU 专为电机应用设计,亦可应用于通用场景。该系列包含驱动 MCU、预驱 MCU 以及专用 MCU 系列: - 主频:48MHz - 96MHz - 存储:Flash:32KB / 64KB / 128KB,SRAM:4KB / 8KB / 12KB - 封装:20 / 32 / 48 / 64 多种引脚和封装形式

开发板功能介绍

注意:
功率输出与环境和MOS管温度上升有关
所有硬件如跳帽必须在断电情况下操作。
通过跳帽选择输出模式
Hall FOC - 1R

Hall square wave

Sensorless square wave - BEMF(ADC)

关于跳帽位置与输出波形的关系表如下

详见:Motor-DK .
上电实测

视频展示如下

开源社区
