这里首先给出官网的地址,方便下载相关的资源
官网以及资料详见 https://www.mindmotion.com.cn/products/mm32mcu/mm32spin/mm32spin_specific_mcu/mm32spin0230/

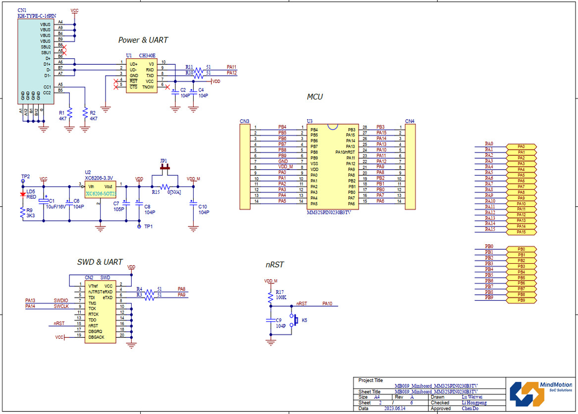
原理图如下:

接下来是一些例程和Keil的包
https://www.mindmotion.com.cn/support/software/keil_pack/
参照相关文件可知MINI-SPIN0230是cortex-m0的架构,可以采用Dap-link进行烧录
具体操作详见视频
【灵动微电子MINI-SPIN0230开箱-哔哩哔哩】 https://b23.tv/uLdgkcl

开源社区
