一 mm32spin060芯片简介
MM32SPIN060G 是 MindSPIN 旗下的高性能 32 位运动控制 MCU,使用 Cortex®-M0为内核,最高工作频率可达 60MHz,内置 32KB 高速存储器,多达 11 个 GPIO;内置5V 输出的 LDO 稳压器、三相栅极驱动器。集成了 1 路 12 位的模数转换器 ADC、2 路模拟比较器 COMP、2 路运算放大器 OPAMP、1 个 32 位通用定时器、3 个 16 位基本定时器、1 个 16 位高级定时器;1 个 USART 接口可作为 UART 或 SPI 通信。本产品预驱最大支持电压为 100V,内部 LDO 支持工作范围 5.5~18V,工作环境温度范围40℃ ∼ 105℃。
二 芯片功能框图

从官网资料可以得知芯片内部集成m0的MM32SPIN0230微处理器和驱动电机所需的三相栅极驱动器,采样运算放大器,比较器等。集成度非常高只需要少数外部元器件即可实现完整的无刷电机驱动方案。
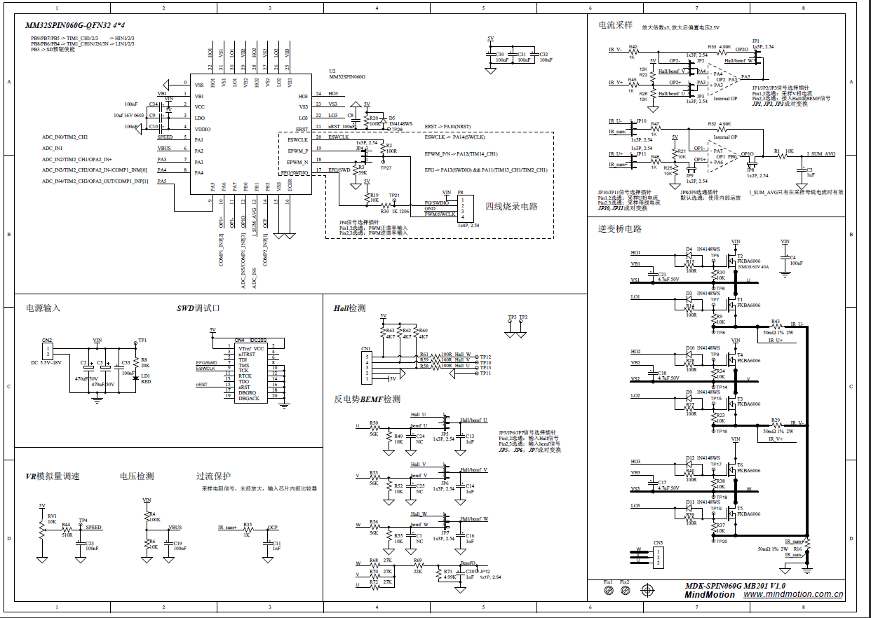
三 开发板实物及原理图


有一点想吐槽一下:烧录器接口的5v/vcc是和三相驱动桥输入供电直连的,在接入动力电时使用烧录器连接电脑时可能会导致烧录器和电脑烧毁!一定要注意在接入动力电进行程序烧录时不要使用烧录器给开发板供电!!

开源社区