今天带大家来完成开发板点灯测试,这款开发板自带led灯,所以测试特别方便,只要有type-c数据下载线就行。
所有资料都帮大家整理好了,请到b站视频下方获取。

资料包括上图内容。
本开发板开发方式较为便捷,采用keli作为开发平台,实现代码编辑、编译、下载。
首先需要资料中的MM32_KEIL_Pack_2.27文件夹中的本开发板的keli加入到keli里边去,只需双击即可。MindMotion.MM32G0001_DFP.1.0.1对应keli包是这个。

LibSamples_MM32G0001_V2.1.5这个文件夹里边是官方的例子程序,注意之后所有的运行程序都需要在该文件夹下编辑,否则会编译失败,因为这个文件夹下有相关的库文件。

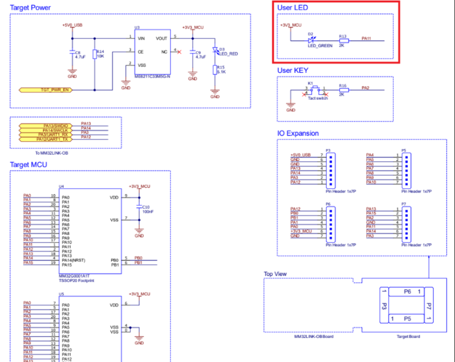
该开发板的原理图也帮大家找到了。
资料还包括产品、用户手册,勘误表,以及下载器支持文档等等,大家可以去b站视频中将其下载下来。



本实验相关的所有资料以及实验源码都帮大家整理好了,观看视频详细了解点灯步骤,这里废话不多说,直接移步b站。

开源社区
